-
Notifications
You must be signed in to change notification settings - Fork 1.2k
MW31硬件设计手册
MW31 是一款功能齐全、模块高度集成、低功耗的低成本嵌入式 WiFi 模块。采用 ARM9 内核,该模块是具有丰富的外围控制接口,内置 IEEE802.11b/g/n 无线标准协议栈的专业控制与传输为一体模块。可直接实现对外围数据采集,通过标准网络数据进行传送和接收网络数据控制外置设备。本模块具有非常低的软关机电流和睡眠电流,同时支持内部定时唤醒以及外部中断唤醒,所以对需要节能减排等要求的各类应用无线的场合都是最佳的选择。同时模块采用的是半圆孔设计,不管是贴片还是插针式的需求都能满足。本模块能够让客户尽快地完成功能齐全的无线各领域产品开发,应用在需要可靠数据交换的控制系统等各种场合。
The MW31 is a full-featured, highly integrated, low-power, low-cost embedded WiFi module. The core chip using ARM9. It’s a professional control and transmission module which is rich in peripheral control interface, built-in IEEE802.11b / g / n wireless standard protocol stack. It can be achieved directly on the peripheral data acquisition, transmission and reception of network data through standard network data control external devices. This module has a very low soft-shutdown current and sleep current, while supporting internal wake-up and wake-up from external interrupts, so the need for energy-saving emission reduction requirements of various applications such as wireless applications are the best choice. At the same time the module uses a semi-circular hole design, whether it is patch or pin-type needs can be met. The module enables customers to complete a full range of wireless products in various fields as soon as possible, used in applications that require reliable data exchange and other
occasions.
采用 ARM9 内核 CPU,最高主频 120MHZ
内存:256KB RAM,内置 2MB SPI flash
符合 802.11 b/g/n 协议
Wi-Fi MIMO:1*1
支持 20/40 MHz 带宽和 STBC
支持 WPA、 WPA2 和 WAPI 安全协议
支持 802.11e 以及 WMM-PS 协议
50 MHz SDIO 接口和单线 SPI 接口
支持 UART 以及 FOTA 升级
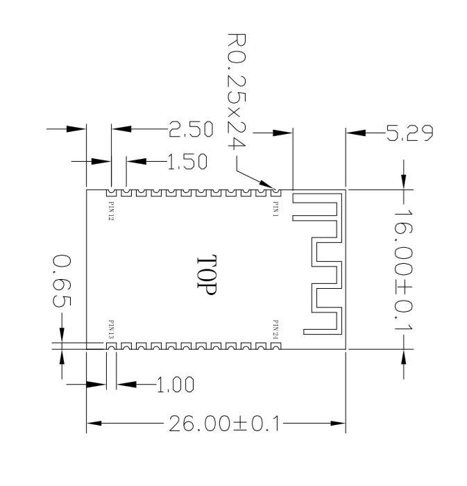
尺寸:26.016.02.5mm
工作频率:2412~2484MHz
最大发射功率:18dBm
最小接收灵敏度:-93dBm
内置天线:板载 PCB 天线
外置天线:IPEX 接口(可选)
工作电压:3.0-3.6V(典型值 3.3V)
RX 电流:110mA
TX 电流:170mA@12dBm
待机电流:100uA
软关机电流:10uA
智能家居
可穿戴设备
医疗健康器械
工业无线控制
智慧照明
工作温度:-40℃~+85℃
相对湿度:5%~95%
图 1 实物图
图 2 硬件框图
图 3
表 1
MW31支持两套UART。UART最高波特率可以达到6Mbps。支持5、 6、 7位数据,支持奇、偶校验或者无校验模式,支持1到2位停止位。
当搭配Starter Kit或者Developer Kit开发板时,默认UART1用来进行数据交互,UART2用来进行 debug 和串口升级。
MW31支持一套高速 SPI 接口,时钟频率最高可达 50 MHz。支持 SPI 主从模式,接收数据沿可以配置为上升沿或者下降沿,发送的数据位可以是低位先发,也可以是高位先发。
SPI接口有独立的 DMA 引擎,可以在 MCU 不参与的情况下,实现非常高速的吞吐。
MW31 SDIO接口支持主从模式,支持标准的单线和4线模式, 最高时钟频率可以达到50MHz。SDIO 接口可以做主模式用于读取SD卡,也可以做从模式用于外部主机通过 SDIO 和内部主控进行通信。
SDIO接口有独立的DMA引擎,可以在MCU不参与的情况下,实现非常高速的吞吐。
MW31支持两套I2C。 I2C最高速率可以达到400kHz。
注:I2C 总线外接时请外接 10K 电阻上拉至 3.3V。
MW31 USB支持全速USB2.0协议。可以做Host,也可以做Device。
USB接口有独立的DMA引擎,可以在MCU不参与的情况下,实现非常高速的吞吐。
MW31内置多通道ADC,并且内含平均滤波器以支持10~13bit输出。 ADC支持单次模式,连续模式,以及软件模式。
MW31模块一共提供6组PWM输出。搭配Starter Kit或者Developer Kit时,PWM2、PWM3、PWM4 这三组已经被用来控制三色LED灯指示模块状态,模块启动完成,三色 LED 灯闪烁一圈之后熄灭。模块连接上 WiFi 网络之后三色 LED 灯不停的循环闪烁。
MW31支持多个GPIO,每个GPIO都可以配置为中断源。在睡眠状态下,也可以用于唤醒系统。
MW31模块支持UART升级和FOTA升级两种升级方式。两种升级方式都需要使用至少4个Pin。
UART升级需要使用VCC(3.3V)、GND、UART2_TX、UART2_RX,在Developer Kit上UART2这组接口已经单独引出用于WiFi DL。
FOTA升级需要使用VCC(3.3V)、GND、UART1_TX、UART1_RX,在Developer Kit上 UART1 已经直接与大板连接,通过大板USB接口直接控制。
相应管脚示意如图4
图 4
UART2同时也是模块的Debug接口,波特率调到115200,模块开机的时候可以看到开机log。开机完成之后输入help,可以看到内置的一些查询命令,如图5。
图 5
程序编译完成后会生成几个.bin文件,如图6,其中后缀带 XXXXXXX.ota.bin 的文件为FOTA升级文件,后缀为XXXXXX_crc.bin 的文件为UART升级文件。
图 6
升级需要使用烧录器,打开后芯片选择BK7231,烧录文件选择升级bin文件的存放位置,设备ID即为 MAC地址,选择相应通讯端口,速率选择1Mbps,先点击烧录,然后再给模块上电。操作界面如图7,推荐使用ch340或ch341芯片的USB转串口线。
图 7
FOTA升级对应的场景就是产品售出之后,在客户手里面,这个时候如果我们的固件有升级,就可以通过访问相应服务器,通过UART1(或者Starter Kit、Developer Kit)输入相应AT指令完成升级。指令格式如图8.其中固件版本号要比模块内部的版本号要高。
图 8
远程升级指令如果执行了,应该会有如图9的显示的输出结果,其中左侧为模拟网络服务器,右侧为串口工具打印的log信息。
图 9
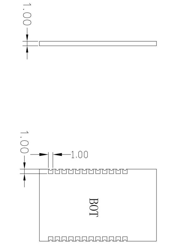
图 10 正面
图 11 反面
注:图 11 所示厚度仅表示 PCB 板厚度,模块整体厚度 2.5mm。
按照2002/95/EC(RoHS)标准,该产品不含有铅、汞、镉、六价铬、 PBB和PBDE等物质。
购买开发板AliOS Things Starter Kit和Developer kit,请扫描天猫旗舰店二维码:
获取在线技术支持,请扫描技术支持群:

| Home | Tutorial | Hardware | Porting Guide | Utilities | API Reference | Technical Docs | Certification |
Crafted with ❤️ by AliOS Things Team.















